康比電子roducts
國產晶振
臺產晶振
進口晶振
- 日本大真空晶振
- 愛普生晶振
- 精工晶振
- 西鐵城晶振
- 村田晶振
- 進口KSS晶振
- NDK晶振
- 大河石英晶振
- 美國CTS晶振
- 微晶晶振
- Abracon晶振
- ECS晶振
- Golledge晶振
- IDT晶振
- Jauch晶振
- Pletronics晶振
- 拉隆晶振
- SiTime晶振
- Statek晶振
- 格林雷晶振
- 康納溫菲爾德晶振
- 日蝕晶振
- 瑞康晶振
- 維管晶振
- AEK晶振
- AEL晶振
- Cardinal晶振
- Crystek晶振
- Euroquartz晶振
- FOX晶振
- Frequency晶振
- Geyer晶振
- KVG晶振
- ILSI晶振
- MERCURY晶振
- MMDCOMP晶振
- MtronPTI晶振
- QANTEK晶振
- QuartzCom晶振
- Quarztechnik晶振
- Suntsu晶振
- Transko晶振
- Wi2Wi晶振
- Fujicom晶振
- Interquip晶振
- ITTI晶振
- Lihom晶振
- MTI晶振
- NAKA晶振
- Oscilent晶振
- PDI晶振
- Rubyquartz晶振
- Shinsung晶振
- SMI晶振
- CTECH晶振
- IQD晶振
- Microchip晶振
- NJR晶振
- Silicon晶振
- Anderson晶振
- Fortiming晶振
- CORE晶振
- NIPPON晶振
- NICKC晶振
- QVS晶振
- Bomar晶振
- Bliley晶振
- GED晶振
- FILTRONETICS晶振
- STD晶振
- Q-Tech晶振
- Wenzel晶振
- NEL晶振
- EM晶振
- PETERMANN晶振
- FCD-Tech晶振
- HEC晶振
- FMI晶振
- Macrobizes晶振
- AXTAL晶振
- Sunny晶振
- 瑞薩Renesas晶振
- SKYWORKS晶振
車載電子
數碼電子
智能家居
時計產品
無線網絡
智能穿戴
醫療器械
無人機
0755-27876201
常見問題
更多>>.jpg)
.jpg)
Lihom力宏晶振,BMC-12,1210mm超小型晶振,6G藍牙晶振,四腳貼片晶振,可穿戴設備晶振,韓國進口晶振,LihomCrystal力宏晶振,型號:BMC-12,小體積晶振尺寸:1.2x1.0x0.3mm表面安裝石英晶體單元,頻率范圍:26MHz~60MHz,四腳貼片晶振,石英晶振,無源晶振,石英晶體諧振器,無鉛環保晶振,具有超小型,輕薄型,優異的可靠性特性,如熱和機械沖擊無鉛,滿足RoHs要求,可進行回流焊接。應用于:移動通信、藍牙,無線局域網,小型便捷式設備,可穿戴設備,智能手機,平板電腦,數碼電子等應用。
.jpg)
Lihom力宏晶振,BMC-12,1210mm超小型晶振,6G藍牙晶振,四腳貼片晶振,可穿戴設備晶振,參數表
| Frequency range | 26~60 MHz | ||||||||||||||||
| Overtone Order | Fundamental | ||||||||||||||||
| Frequency tolerance at 25℃ | ±10 ppm or specify | ||||||||||||||||
| Operating temperature range and frequency stability | See Table 1 | ||||||||||||||||
| Equivalent series resistance | See Table 2 | ||||||||||||||||
| Shunt capacitance | 3 pF Max or specify | ||||||||||||||||
| Load capacitance | 8 pF or specify | ||||||||||||||||
| Drive level (Max.) | 10, 100, 200 μW or specify | ||||||||||||||||
| Insulation resistance | 500 MΩ Min. at DC 100V | ||||||||||||||||
| Aging at 25℃ | ±3 ppm / year Max. | ||||||||||||||||
| Storage temperature range | -40 ~ +85 ℃ | ||||||||||||||||
| Measure instrument | S&A 250B system with PI circuit | ||||||||||||||||
.jpg)
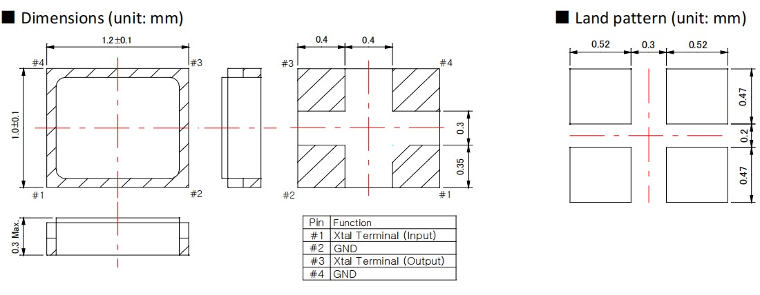
Lihom力宏晶振,BMC-12,1210mm超小型晶振,6G藍牙晶振,四腳貼片晶振,可穿戴設備晶振,尺寸圖
Lihom力宏晶振,BMC-12,1210mm超小型晶振,6G藍牙晶振,四腳貼片晶振,可穿戴設備晶振
1210mm體積的晶振,可以說是目前小型數碼產品的福音,目前超小型的智能手機里面所應用的就是小型的石英晶振,該產品最適用于無線通訊系統,無線局域網,已實現低相位噪聲,低電壓,低消費電流和高穩定度,超小型,質量輕等產品特點,產品本身編帶包裝方式,可對應自動高速貼片機應用,以及高溫回流焊接(產品無鉛對應),為無鉛產品.



1、技術支持:全方位技術指導,專業的技術支持讓您感受到前所未有的后顧無憂.
2、客服咨詢:專業的銷售團隊,耐心為您解答任何疑問,讓您的消費得到保障.
3、質量保證,誠信為本,上我司以“以科技為動力,以質量求生存,”為理念.
4、提升業績,降低成本為您的產品量身訂制,免費取樣,為您做到低成本,高效率.
3、質量保證,誠信為本,上我司以“以科技為動力,以質量求生存,”為理念.
4、提升業績,降低成本為您的產品量身訂制,免費取樣,為您做到低成本,高效率.

康比電子聯系方式:
Q Q: 577541227
電 話:0755-27876201
手 機: 13728742863
Email: kangbidz@163.com
網 址: http://www.web3dchina.com/
地 址: 廣東省深圳市寶安區41區33棟6層
Q Q: 577541227
電 話:0755-27876201
手 機: 13728742863
Email: kangbidz@163.com
網 址: http://www.web3dchina.com/
地 址: 廣東省深圳市寶安區41區33棟6層









