康比電子roducts
國產晶振
臺產晶振
進口晶振
- 日本大真空晶振
- 愛普生晶振
- 精工晶振
- 西鐵城晶振
- 村田晶振
- 進口KSS晶振
- NDK晶振
- 大河石英晶振
- 美國CTS晶振
- 微晶晶振
- Abracon晶振
- ECS晶振
- Golledge晶振
- IDT晶振
- Jauch晶振
- Pletronics晶振
- 拉隆晶振
- SiTime晶振
- Statek晶振
- 格林雷晶振
- 康納溫菲爾德晶振
- 日蝕晶振
- 瑞康晶振
- 維管晶振
- AEK晶振
- AEL晶振
- Cardinal晶振
- Crystek晶振
- Euroquartz晶振
- FOX晶振
- Frequency晶振
- Geyer晶振
- KVG晶振
- ILSI晶振
- MERCURY晶振
- MMDCOMP晶振
- MtronPTI晶振
- QANTEK晶振
- QuartzCom晶振
- Quarztechnik晶振
- Suntsu晶振
- Transko晶振
- Wi2Wi晶振
- Fujicom晶振
- Interquip晶振
- ITTI晶振
- Lihom晶振
- MTI晶振
- NAKA晶振
- Oscilent晶振
- PDI晶振
- Rubyquartz晶振
- Shinsung晶振
- SMI晶振
- CTECH晶振
- IQD晶振
- Microchip晶振
- NJR晶振
- Silicon晶振
- Anderson晶振
- Fortiming晶振
- CORE晶振
- NIPPON晶振
- NICKC晶振
- QVS晶振
- Bomar晶振
- Bliley晶振
- GED晶振
- FILTRONETICS晶振
- STD晶振
- Q-Tech晶振
- Wenzel晶振
- NEL晶振
- EM晶振
- PETERMANN晶振
- FCD-Tech晶振
- HEC晶振
- FMI晶振
- Macrobizes晶振
- AXTAL晶振
- Sunny晶振
- 瑞薩Renesas晶振
- SKYWORKS晶振
車載電子
數碼電子
智能家居
時計產品
無線網絡
智能穿戴
醫療器械
無人機
0755-27876201
常見問題
更多>>

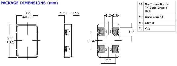
奧斯康利晶振,434-12.0M-3EN-TTS晶振,5032mm晶振,5032mm體積的石英晶體振蕩器,有源晶振,該產品可驅動2.5V的溫補晶振,壓控晶振,VC-TCXO晶體振蕩器產品,電源電壓的低電耗型,編帶包裝方式,可對應自動高速貼片機自動焊接,及IR回流焊接(無鉛對應),為無鉛產品,超小型,質地輕.產品被廣泛應用到集成電路,程控交換系統,無線發射基站.
Oscilent Corporation是一家頻率控制設備制造商,致力于以最高水平的客戶服務為客戶提供低成本,高質量的產品。我們認識到,盈利能力與我們以具有競爭力的價格為首要產品服務客戶的能力直接相關。我們致力于豐富我們的客戶和員工,并保持促進個人和職業發展的工作環境。
Oscilent Corporation是頻率控制產品的廣泛生產線制造商,提供SAW濾波器,石英晶體,晶體振蕩器,晶體濾波器和陶瓷諧振器的設計和生產專業知識。我們的產品系列包括溫度補償(TCXO)和電壓控制(VCXO)振蕩器的廣泛定制和標準功能,以及每個焦點產品類別的完整設計和開發功能。Oscilent為世界所有主要開發和制造區域的OEM,設計和合同制造客戶提供服務。
所有銷售,工程,制造支持和管理職能均在美國加利福尼亞州歐文市進行。亞洲,歐洲和中東國家的產品直接來自位于中國,韓國和以色列的三個Oscilent分銷中心之一。除非另有要求,否則所有北美(包括加拿大)和南美洲的貨物均通過我們的Irvine,CA設施進行管理。銷售代表和分銷商戰略性地位于世界各地,并為我們的客戶群提供本地技術和產品支持。
Oscilent Crystal是全球頻率控制設備制造商,專注生產提供濾波器,溫補晶振,陶瓷諧振器和Oscilent晶振產品類別中提供廣泛的優質產品.奧斯康利晶振,434-12.0M-3EN-TTS晶振,5032mm晶振.
.jpg)
| PARAMETERS | CONDITIONS | CHARACTERISTICS | UNITS | |
| Output Logic | - | HCMOS / TTL Output | - | |
| Input Voltage (Vdd) | - | 3.3 ±10% | 5.0 ±10% | VDC |
| Frequency Range (f O ) | - | 0.450 ~ 100.00 | MHz | |
| Operating Temperature (T OPR ) | - | 0 ~ +70 Std. (Ext Temp Avail. See Table Below) | °C | |
| Storage Temperature (T STG ) | - | -55 ~ +125 | °C | |
| Frequency Stability | a + b + c + d | ±25, ±50, ±100 max. | PPM | |
| (a) Frequency Tolerance | Inclusive of Overall Stability | - | ||
| (b) Temperature Stability | Inclusive of Overall Stability (Operating Temperature) | - | ||
| (c) Input Voltage Stability | Inclusive of Overall Stability (Vdd ±5%) | - | ||
| (d) Load Stability | Inclusive of Overall Stability (RL ±5%) | - | ||
| Current Consumption | - | 10 ~ 45 (35) max. | 15 ~ 85 (50) max. | mA |
| Aging | @ 25°C | ±5 max. | PPM/Y | |
| Rise Time (T R ) / Fall Time (T F ) | < 23.999 MHz | 10 max. | nS | |
| 24.00 ~ 70.00 MHz | 6 max. | |||
| 70.001 ~ 100.00 MHz | 4 max. | |||
| PIN 1 Tri-State Input Voltage (Option) | - | Vh (Pin 1) No Connection : Enables Output | - | |
| - | Vh (Vih) > 2.2 Vdc : Enables Output | |||
| - | Vl (Vil) < 0.8 Vdc : Disables Output (High Impedance | |||
| Output Voltage High "1" VOH | TTL Load | 2.4 min. | VDC | |
| HCMOS Load | Vdd * 0.9 min. | |||
| Output Voltage Low "0" VOL | TTL Load | 0.4 max. | VDC | |
| HCMOS Load | Vdd * 0.1 min. | |||
| Duty Cycle | - | 50 ±10 (Std.) / 50 ±5 (Option) | % | |
| Start-Up Time (T S ) | - | 10 max. | mS | |
| Jitter | 12Khz ~ 20Mhz | RMS: ±1 max. |
ps |
|
.jpg)


存儲事項
(1) 在更高或更低溫度或高濕度環境下長時間保存晶體產品時,會影響頻率穩定性或焊接性。請在正常溫度和濕度環境下保存這些晶體產品,并在開封后盡可能進行安裝,以免長期儲藏。
正常溫度和濕度:
溫度:+15°C 至 +35°C,濕度 25 % RH 至 85 % RH(請參閱“測試點JIS C 60068-1 / IEC 60068-1的標準條件”章節內容)。
(2) 請仔細處理內外盒與卷帶。外部壓力會導致卷帶受到損壞。
安裝時注意事項
耐焊性
加熱包裝材料至+150°C以上會破壞產品特性或損害產品。如需在+150°C以上焊接晶體產品,建議使用SMD產品。在下列回流條件下,對晶體產品甚至SMD產品使用更高溫度,會破壞產品特性。建議使用下列配置情況的回流條件。安裝這些產品之前,應檢查焊接溫度和時間。同時,在安裝條件更改的情況下,請再次進行檢查。如果需要焊接的石英晶體產品在下列配置條件下進行焊接,請聯系我們以獲取耐熱的相關信息。
(1)柱面式產品和DIP產品
型號 焊接條件
[ 柱面式 音叉晶振]
C-類型,C-2-類型,C-4-類型 +280°C或低于@最大值5 s
請勿加熱封裝材料超過+150°C
[ 柱面式 ]
CA-301
[ DIP ]
SG-51 / 531, SG-8002DB DC,
RTC-72421 / 7301DG +260°C或低于@最大值 10 s
請勿加熱封裝材料超過+150°C
(2)SMD晶振產品回流焊接條件(實例)
用于JEDEC J-STD-020D.01回流條件的耐熱可用性需個別判斷。請聯系我們以便獲取相關信息。
盡可能使溫度變化曲線保持平滑。奧斯康利晶振,434-12.0M-3EN-TTS晶振,5032mm晶振.

1、技術支持:全方位技術指導,專業的技術支持讓您感受到前所未有的后顧無憂.
2、客服咨詢:專業的銷售團隊,耐心為您解答任何疑問,讓您的消費得到保障.
3、質量保證,誠信為本,上我司以“以科技為動力,以質量求生存,”為理念.
4、提升業績,降低成本為您的產品量身訂制,免費取樣,為您做到低成本,高效率.

康比電子聯系方式:
Q Q: 577541227
電 話:0755-27876201
手 機: 13728742863
Email: kangbidz@163.com
網 址: http://www.web3dchina.com/
地 址: 廣東省深圳市寶安區41區33棟6層









