康比電子roducts
國產晶振
臺產晶振
進口晶振
- 日本大真空晶振
- 愛普生晶振
- 精工晶振
- 西鐵城晶振
- 村田晶振
- 進口KSS晶振
- NDK晶振
- 大河石英晶振
- 美國CTS晶振
- 微晶晶振
- Abracon晶振
- ECS晶振
- Golledge晶振
- IDT晶振
- Jauch晶振
- Pletronics晶振
- 拉隆晶振
- SiTime晶振
- Statek晶振
- 格林雷晶振
- 康納溫菲爾德晶振
- 日蝕晶振
- 瑞康晶振
- 維管晶振
- AEK晶振
- AEL晶振
- Cardinal晶振
- Crystek晶振
- Euroquartz晶振
- FOX晶振
- Frequency晶振
- Geyer晶振
- KVG晶振
- ILSI晶振
- MERCURY晶振
- MMDCOMP晶振
- MtronPTI晶振
- QANTEK晶振
- QuartzCom晶振
- Quarztechnik晶振
- Suntsu晶振
- Transko晶振
- Wi2Wi晶振
- Fujicom晶振
- Interquip晶振
- ITTI晶振
- Lihom晶振
- MTI晶振
- NAKA晶振
- Oscilent晶振
- PDI晶振
- Rubyquartz晶振
- Shinsung晶振
- SMI晶振
- CTECH晶振
- IQD晶振
- Microchip晶振
- NJR晶振
- Silicon晶振
- Anderson晶振
- Fortiming晶振
- CORE晶振
- NIPPON晶振
- NICKC晶振
- QVS晶振
- Bomar晶振
- Bliley晶振
- GED晶振
- FILTRONETICS晶振
- STD晶振
- Q-Tech晶振
- Wenzel晶振
- NEL晶振
- EM晶振
- PETERMANN晶振
- FCD-Tech晶振
- HEC晶振
- FMI晶振
- Macrobizes晶振
- AXTAL晶振
- Sunny晶振
- 瑞薩Renesas晶振
- SKYWORKS晶振
車載電子
數碼電子
智能家居
時計產品
無線網絡
智能穿戴
醫療器械
無人機
0755-27876201
常見問題
更多>>.jpg)
.jpg)
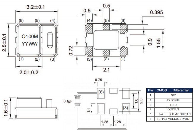
QTCT236LPH-156.250000,3225mm,156.25MHz,Q-Tech差分晶振,QTCT236,以太網應用晶振,美國進口晶振,Q-Tech晶振,型號:QTCT236,編碼為:QTCT236LPH-156.250000,電壓:+3.3V,LVPECL輸出差分晶振,頻率為:156.250MHz,頻率穩定性:±2ppm,工作溫度范圍:-40℃至+85℃,小體積晶振尺寸:3.2x2.5mm,六腳貼片晶振,TCXO溫度補償晶體振蕩器,有源晶振,石英晶體振蕩器,石英晶振,溫補晶振,差分晶體振蕩器。Q-Tech的表面安裝QTCT236振蕩器由一個IC 2.5Vdc或3.3Vdc TCXO內置在一個低輪廓陶瓷封裝與鍍金接觸墊。具有超小型,輕薄型,低抖動,低功耗,低相位噪聲,低電源電壓,低電平,低耗能,低損耗等特點。應用程序:旨在滿足當今低壓應用的要求,千兆以太網,光纖通道,聲納,微處理器/DSP/FPGAS,寬帶接入,智能電網等。
QTCT236LPH-156.250000,3225mm,156.25MHz,Q-Tech差分晶振,QTCT236,以太網應用晶振,產品特點:
ECCN:EAR99
CMOS頻率范圍從10.000000MHz到250.000000MHz
差頻范圍從10.000000MHz到1.5000000GHz
占地面積:3.2x2.5mm
CMOS、LVDS或LVPECL邏輯石英晶體振蕩器
2.5和3.3Vdc電源有源晶振
工作溫度-40ºC至+85ºC可用
磁帶和卷軸包裝
根據MIL-PRF-55310對可用的3類設備進行軍事篩選測試
設計符合MIL-STD-883,方法2002,條件B(1500g峰值,0.5ms脈沖)
無鉛,符合RoHS
低相位抖動-0.8ps RMS,典型偏移為12kHz至20MHz
.jpg)
.jpg)
QTCT236LPH-156.250000,3225mm,156.25MHz,Q-Tech差分晶振,QTCT236,以太網應用晶振,參數表
QTCT236LPH-156.250000,3225mm,156.25MHz,Q-Tech差分晶振,QTCT236,以太網應用晶振,尺寸圖


1、技術支持:全方位技術指導,專業的技術支持讓您感受到前所未有的后顧無憂.
2、客服咨詢:專業的銷售團隊,耐心為您解答任何疑問,讓您的消費得到保障.
3、質量保證,誠信為本,上我司以“以科技為動力,以質量求生存,”為理念.
4、提升業績,降低成本為您的產品量身訂制,免費取樣,為您做到低成本,高效率.
3、質量保證,誠信為本,上我司以“以科技為動力,以質量求生存,”為理念.
4、提升業績,降低成本為您的產品量身訂制,免費取樣,為您做到低成本,高效率.

康比電子聯系方式:
Q Q: 577541227
電 話:0755-27876201
手 機: 13728742863
Email: kangbidz@163.com
網 址: http://www.web3dchina.com/
地 址: 廣東省深圳市寶安區41區33棟6層
Q Q: 577541227
電 話:0755-27876201
手 機: 13728742863
Email: kangbidz@163.com
網 址: http://www.web3dchina.com/
地 址: 廣東省深圳市寶安區41區33棟6層





.jpg)
.jpg)





