康比電子roducts
國產晶振
臺產晶振
進口晶振
- 日本大真空晶振
- 愛普生晶振
- 精工晶振
- 西鐵城晶振
- 村田晶振
- 進口KSS晶振
- NDK晶振
- 大河石英晶振
- 美國CTS晶振
- 微晶晶振
- Abracon晶振
- ECS晶振
- Golledge晶振
- IDT晶振
- Jauch晶振
- Pletronics晶振
- 拉隆晶振
- SiTime晶振
- Statek晶振
- 格林雷晶振
- 康納溫菲爾德晶振
- 日蝕晶振
- 瑞康晶振
- 維管晶振
- AEK晶振
- AEL晶振
- Cardinal晶振
- Crystek晶振
- Euroquartz晶振
- FOX晶振
- Frequency晶振
- Geyer晶振
- KVG晶振
- ILSI晶振
- MERCURY晶振
- MMDCOMP晶振
- MtronPTI晶振
- QANTEK晶振
- QuartzCom晶振
- Quarztechnik晶振
- Suntsu晶振
- Transko晶振
- Wi2Wi晶振
- Fujicom晶振
- Interquip晶振
- ITTI晶振
- Lihom晶振
- MTI晶振
- NAKA晶振
- Oscilent晶振
- PDI晶振
- Rubyquartz晶振
- Shinsung晶振
- SMI晶振
- CTECH晶振
- IQD晶振
- Microchip晶振
- NJR晶振
- Silicon晶振
- Anderson晶振
- Fortiming晶振
- CORE晶振
- NIPPON晶振
- NICKC晶振
- QVS晶振
- Bomar晶振
- Bliley晶振
- GED晶振
- FILTRONETICS晶振
- STD晶振
- Q-Tech晶振
- Wenzel晶振
- NEL晶振
- EM晶振
- PETERMANN晶振
- FCD-Tech晶振
- HEC晶振
- FMI晶振
- Macrobizes晶振
- AXTAL晶振
- Sunny晶振
- 瑞薩Renesas晶振
- SKYWORKS晶振
車載電子
數碼電子
智能家居
時計產品
無線網絡
智能穿戴
醫療器械
無人機
0755-27876201
常見問題
更多>>

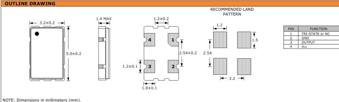
松圖晶振,SXO53C晶振,SXO53C3A481X-20.000M晶振,5032mm體積的石英晶體振蕩器,有源晶振,該產品可驅動2.5V的溫補晶振,壓控晶振,VC-TCXO晶體振蕩器產品,電源電壓的低電耗型,編帶包裝方式,可對應自動高速貼片機自動焊接,及IR回流焊接(無鉛對應),為無鉛產品,超小型,質地輕.產品被廣泛應用到集成電路,程控交換系統,無線發射基站.
在2008年,我們將目光投向了精確時間模塊,并推出了3款GPS紀律的OCXO。其中之一,打破了工業界的第一個“板上安裝的單位”。
今天,Suntsu能夠滿足最基本的最嚴格的頻率控制要求。我們的月產能在過去幾年中大幅增長,截至2009年,我們每個月可以支持3千3百萬個組件。
我們經過廣泛培訓的銷售人員隨時可以幫助您從產品的原型階段到全面生產。我們非常自豪能夠在最短的時間內為您提供最新的信息。我們認識到新興技術的上市時間的重要性,并開發了內部基礎設施以滿足您的需求。
在今天的經濟中,科技公司需要靈活的供應商,以支持他們的工程團隊及其獨特的應用,以優質的產品,有競爭力的價格和可靠的交付。Suntsu致力于成為該供應商。
Suntsu晶振通過自身的努力,不斷創新的精神,生產大量的優質晶振產品,包括石英晶體振蕩器,溫補晶振,OSC差分晶振等元件.松圖晶振,SXO53C晶振,SXO53C3A481X-20.000M晶振.
.jpg)
| ELECTRICAL PARAMETERS | UNITS | MIN. | TYP. | MAX. | REMARKS | |
| Frequency Range | KHZ | 32.768 | ||||
| MHZ | 1 | 200 | ||||
|
Frequency Stability (Includes Initial Tolerance at 25°C, Frequency Stability over Operating Temperature, Output Load Change, Supply Voltage Change, and First Year Aging at 25°C.) |
ppm | -20 | +20 | See part numbering guide for options | ||
| Operating Temperature | ºC | -40 | +85 | See part numbering guide for options | ||
| Storage Temperature | -55 | +125 | ||||
| Supply Voltage (V DD ) | 1.8V Option | V | 1.710 | 1.8 | 1.890 | |
| 2.5V Option | 2.375 | 2.5 | 2.625 | |||
| 3.3V Option | 3.135 | 3.3 | 3.465 | |||
| Current (I DD ) | Frequency Range | mA | 1.8V | 2.5V | 3.3V | |
| 32.768kHz | 5 | 5 | 5 | Maximum value. | ||
| 1.0000MHz ~ 34.999MHz | 8 | 10 | 16 | Maximum value. | ||
| 35.000MHz ~ 59.999MHz | 10 | 20 | 25 | Maximum value. | ||
| 60.000MHz ~ 99.999MHz | 25 | 30 | 40 | Maximum value. | ||
| 100.00MHz ~ 160.00MHz | 35 | 40 | 50 | Maximum value. | ||
| Output Load (CMOS) | pF | 15 | See part numbering guide for options. | |||
| Output Logic Levels | Output Logic High (V OH ) | V | 0.9*V DD | |||
| Output Logic Low (V OL ) | 0.1*V DD | |||||
| Rise (T R ) and Fall (T F ) Time | 32.768kHz | ns | 200 | |||
| 1.0000MHz ~ 34.999MHz | 10 | |||||
| 35.000MHz ~ 99.999MHz | 6 | |||||
| 100.00MHz ~ 160.00MHz | 3 | |||||
| Symmetry (Duty Cycle) | % | 45 | 50 | 55 | ||
| Tri-State Input Voltage | Enable | V | 0.7*V DD | No Connection. | ||
| Disable | 0.3*V DD | |||||
| Start-Up Time | ms | 10 | ||||
| Phase Jitter (12kHz ~ 20MHz) | ps | 1 | ||||
.jpg)

PCB設計指導(1) 理想情況下,機械蜂鳴器應安裝在一個獨立于石英晶體器件的PCB板上。如果您安裝在同一個PCB板上,最好使用余量或切割PCB。當應用于PCB板本身或PCB板體內部時,機械振動程度有所不同。建議遵照內部板體特性。
(2) 在設計時請參考相應的推薦封裝。
(3) 在使用焊料助焊劑時,按JIS標準(JISC 60068-2-20/IEC60,068-2-20).來使用。
(4) 請按JIS標準(JIS Z 3282, Pb 含量 1000ppm, 0.1wt% 或更少)來使用無鉛焊料。
存儲事項
(1) 在更高或更低溫度或高濕度環境下長時間保存晶振時,會影響頻率穩定性或焊接性。請在正常溫度和濕度環境下保存這些石英晶振產品,并在開封后盡可能進行安裝,以免長期儲藏。
正常溫度和濕度:
溫度:+15°C 至 +35°C,濕度 25 % RH 至 85 % RH(請參閱“測試點JISC60068-1/IEC60068-1的標準條件”章節內容)。
(2) 請仔細處理內外盒與卷帶。外部壓力會導致卷帶受到損壞。松圖晶振,SXO53C晶振,SXO53C3A481X-20.000M晶振.

1、技術支持:全方位技術指導,專業的技術支持讓您感受到前所未有的后顧無憂.
2、客服咨詢:專業的銷售團隊,耐心為您解答任何疑問,讓您的消費得到保障.
3、質量保證,誠信為本,上我司以“以科技為動力,以質量求生存,”為理念.
4、提升業績,降低成本為您的產品量身訂制,免費取樣,為您做到低成本,高效率.

康比電子聯系方式:
Q Q: 577541227
電 話:0755-27876201
手 機: 13728742863
Email: kangbidz@163.com
網 址: http://www.web3dchina.com/
地 址: 廣東省深圳市寶安區41區33棟6層










