康比電子roducts
國產晶振
臺產晶振
進口晶振
- 日本大真空晶振
- 愛普生晶振
- 精工晶振
- 西鐵城晶振
- 村田晶振
- 進口KSS晶振
- NDK晶振
- 大河石英晶振
- 美國CTS晶振
- 微晶晶振
- Abracon晶振
- ECS晶振
- Golledge晶振
- IDT晶振
- Jauch晶振
- Pletronics晶振
- 拉隆晶振
- SiTime晶振
- Statek晶振
- 格林雷晶振
- 康納溫菲爾德晶振
- 日蝕晶振
- 瑞康晶振
- 維管晶振
- AEK晶振
- AEL晶振
- Cardinal晶振
- Crystek晶振
- Euroquartz晶振
- FOX晶振
- Frequency晶振
- Geyer晶振
- KVG晶振
- ILSI晶振
- MERCURY晶振
- MMDCOMP晶振
- MtronPTI晶振
- QANTEK晶振
- QuartzCom晶振
- Quarztechnik晶振
- Suntsu晶振
- Transko晶振
- Wi2Wi晶振
- Fujicom晶振
- Interquip晶振
- ITTI晶振
- Lihom晶振
- MTI晶振
- NAKA晶振
- Oscilent晶振
- PDI晶振
- Rubyquartz晶振
- Shinsung晶振
- SMI晶振
- CTECH晶振
- IQD晶振
- Microchip晶振
- NJR晶振
- Silicon晶振
- Anderson晶振
- Fortiming晶振
- CORE晶振
- NIPPON晶振
- NICKC晶振
- QVS晶振
- Bomar晶振
- Bliley晶振
- GED晶振
- FILTRONETICS晶振
- STD晶振
- Q-Tech晶振
- Wenzel晶振
- NEL晶振
- EM晶振
- PETERMANN晶振
- FCD-Tech晶振
- HEC晶振
- FMI晶振
- Macrobizes晶振
- AXTAL晶振
- Sunny晶振
- 瑞薩Renesas晶振
- SKYWORKS晶振
車載電子
數碼電子
智能家居
時計產品
無線網絡
智能穿戴
醫療器械
無人機
0755-27876201
常見問題
更多>>
.jpg)
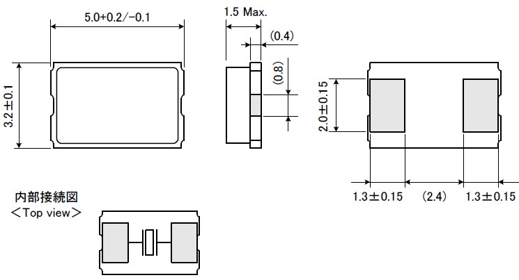
諧振器FCX-03,5032二腳晶振,日本RIVER晶體.貼片晶振采用了多層、多金屬的濺射鍍膜技術:是目前研發及生產高精度、高穩定性石英晶體元器必須攻克的關鍵技術之一.選用何鍍材、鍍幾種材料、幾種鍍材的鍍膜順序,鍍膜的工藝方法(如各鍍材的功率設計等).使用此鍍膜方法使鍍膜后的附著力增強,頻率更加集中,那么如何把晶片能控制在1000ppm之內呢..jpg)
| 型號 | FCX-03 |
| 頻率范圍 | 8~60.000MHZ |
| 負載(pf) | 8pf、10pf以及客戶指定 |
| 精度(ppm) | 15 20 30 50 |
| 工作溫度 |
-20 ~ +70℃ -30 ~ +85℃ -40 ~ +85℃ |
| 周波數溫度特性 | 15ppm 20ppm 30ppm 50ppm |
| 保存溫度特性 | -40 +85℃ |
| 直列抵抗(Ω) |
8.000~9.000MHz:500 Max 500 9.000~9.500MHz:250 Max 250 9.500~10.000MHz:200 Max 200 10.000~12.000MHz:150 Max 150 12.000~16.000MHz:100 Max 100 16.000~30.000MHz: 70 Max 070 30.000~60.000MHz: 50 Max 050 |
| 包裝 | 1000/pcs |
.jpg)


小型化:
小型化是讓產品處于行業領先地位的關鍵
“小型元器件找RIVER”的用戶評價和信賴,是RIVER ELETEC保持行業領先地位的動力.
難度越高,就越發使他人難以企及,這正是領跑者引以為豪的地方.
在水晶元器件的小型化方面,公司是一直處于領先地位的優秀企業.
公司在2008年開發的晶體FCX-07的體積與1989年開發的晶體FCX-01相比,實現了1/160的超小型化.RIVER ELETEC的技術開創了水晶元器件的新市場
高性能:
在微觀世界中精湛的技術,對高精度與高靈敏度的要求永無止境.
除了小型化和高性能以外,還要注重保持高效、高性價比的產品優勢,把只有RIVER ELETEC才能研制的高附加值產品作為目標,在研發第一線采取按開發目的分組團隊的體制,不斷發起新的挑戰.通過腳踏實地的技術開發,在其產品化方面,RIVER ELETEC公司及其集團公司以ISO9001(1998年獲得認證)將嚴格貫徹質量管理體系的各項標準.
.png)
RIVER ELETEC是以生產晶體、晶振為主的電子元器件廠家.尤其在SMD型(表貼型)小型水晶元器件方面一直處于行業領先地位,積累了許多獨特的技術,贏得了“小型元器件找RIVER”的信譽.公司以提高用戶滿意度為目標,不斷推進集團整體業務的發展.讓用戶滿意,就是讓使用裝有本公司產品的手機、數碼相機等電子設備的廣大用戶滿意.我們深知這一點,因而更加努力向目標邁進.由于小型水晶元器件在信息通信中是必不可少的部件,因此上述理念已深深植入于本公司每個員工的心中.
.jpg)
.jpg)
深圳康比電子有限公司:工廠位于湖北省黃岡市高新科技園,是專業從事石英晶振、貼片晶振、有源晶振、壓電陶瓷諧振器的高科技企業、集石英晶振、陶瓷晶振、有源晶振的研發、設計、制造、營銷和服務為一體,公司產品有:石英晶振、49/S、49/SMD、5X7mm、6x3.5mm、5X3.2mm、陶瓷晶振、ZTT三腳、ZTA二腳、貼片系列7.2X3.4mm、3.7X3.1mm、音叉表晶:32.768KHZ系列.本公司產品率先解決了石英晶振、陶瓷晶振、音叉晶體、32.768KHZ等、頻率不穩定、不抗跌落、不耐高溫等難題,月產量8000萬只,成為同行業中的佼佼者,產品遠銷西歐一帶國家、巴西、中國香港、大陸、中國臺灣等國內外市場.
大河電子自公司成立以來,秉持對環境保護承諾之宣言:『還給后代一個干凈的地球』,所有活動應遵循以下政策:
1.新產品自設計階段至成品完成后之服務即應考察該產品對環境產生之沖擊,避免使用會造成污染之原物料及制程;對污染之防治應從根源解決問題,以《不產生、不使用》為最高指導原則.
2.若無法避免需產生或使用時,應管制單位產生量及使用量,做持續性之追蹤管制、改進并制定預防方案或是降低污染量,水電等消耗性(能)資源使用,應從系統研究改善使用效率,以達成節約能源之目標.
3.公司所有活動皆遵循環保法規及承諾,作好綠色設計與生產以及污染預防,減少使用危害環境的原物料,積極節約材料資源,降低對整體環境沖擊的影響,實施相關預防矯正、持續改善作業,落實與維護環境保護,響應全球環保運動.

1、技術支持:全方位技術指導,專業的技術支持讓您感受到前所未有的后顧無憂.
2、客服咨詢:專業的銷售團隊,耐心為您解答任何疑問,讓您的消費得到保障.
3、質量保證,誠信為本,上我司以“以科技為動力,以質量求生存,”為理念.
4、提升業績,降低成本為您的產品量身訂制,免費取樣,為您做到低成本,高效率.

康比電子聯系方式:
Q Q: 577541227
電 話:0755-27876201
手 機: 13728742863
Email: kangbidz@163.com
網 址: http://www.web3dchina.com/
地 址: 廣東省深圳市寶安區41區33棟6層










