企業博客
更多>>6G室外基站專用安基石英晶體C16-40.000-8-1015-R
許多工程師在設計振蕩器電路時,并沒有在石英晶體上花太多心思。對他們來說,這是一個標準的功能,無論如何都會起作用。其實沒那么簡單。

我們安基希望讓我們的客戶免受此類問題的困擾。因此,我們對客戶的振蕩器電路進行詳細分析,旨在實現晶體和電路的最佳匹配。在這些所謂的“OSF試驗”過程中檢查了以下三個參數:
1)頻率精度
2)振蕩安全系數(OSF)
3)驅動水平
頻率準確度
|
|
Aker Technology | 石英晶體 | Crystal 30MHz ±15ppm (Tol) ±30ppm (Stability) 10pF FUND 80Ohm 4-Pin SMD T/R |
|
|
Aker Technology | 石英晶體 | Crystal 25MHz ±15ppm (Tol) ±30ppm (Stability) 12pF FUND 100Ohm 4-Pin SMD T/R |
|
|
Aker Technology | 石英晶體 | Crystal 48MHz ±15ppm (Tol) ±30ppm (Stability) 10pF FUND 70Ohm 4-Pin SMD T/R |
|
|
Aker Technology | 石英晶體 | Crystal 36MHz ±15ppm (Tol) ±30ppm (Stability) 10pF FUND 80Ohm Automotive 4-Pin SMD T/R |
|
|
Aker Technology | 石英晶體 | Crystal 40MHz ±15ppm (Tol) ±30ppm (Stability) 10pF FUND 80Ohm 4-Pin SMD T/R |
|
|
Aker Technology | 石英晶體 | Crystal 32MHz ±15ppm (Tol) ±30ppm (Stability) 10pF FUND 80Ohm 4-Pin SMD T/R |
|
|
Aker Technology | 石英晶體 | Crystal 12MHz ±15ppm (Tol) ±30ppm (Stability) 10pF FUND 90Ohm 4-Pin SMD T/R |
|
|
Aker Technology | 石英晶體 | Crystal 27.12MHz ±15ppm (Tol) ±30ppm (Stability) 12pF FUND 100Ohm 4-Pin SMD T/R |
|
|
Aker Technology | 石英晶體 | Crystal 32MHz ±15ppm (Tol) ±30ppm (Stability) 10pF FUND 50Ohm 4-Pin SMD T/R |
|
|
Aker Technology | 石英晶體 | Crystal 24MHz ±15ppm (Tol) ±30ppm (Stability) 10pF FUND 100Ohm 4-Pin SMD T/R |
|
|
Aker Technology | 石英晶體 | Crystal 40MHz ±15ppm (Tol) ±30ppm (Stability) 10pF FUND 70Ohm 4-Pin SMD T/R |
|
|
Aker Technology | 石英晶體 | Crystal 27MHz ±15ppm (Tol) ±30ppm (Stability) 10pF FUND 100Ohm 4-Pin SMD T/R |
|
|
Aker Technology | 石英晶體 | Crystal 38.4MHz ±15ppm (Tol) ±30ppm (Stability) 12pF FUND 60Ohm 4-Pin SMD T/R |
|
|
Aker Technology | 石英晶體 | Crystal 32MHz ±15ppm (Tol) ±15ppm (Stability) 8pF FUND 80Ohm 4-Pin SMD T/R |
|
|
Aker Technology | 石英晶體 | Crystal 38.4MHz ±10ppm (Tol) ±10ppm (Stability) 10pF FUND 60Ohm Automotive T/R |
|
|
Aker Technology | 石英晶體 | Crystal 40MHz ±10ppm (Tol) ±15ppm (Stability) 8pF FUND 80Ohm 4-Pin SMD T/R |
|
|
Aker Technology | 石英晶體 | Crystal 28.63636MHz ±15ppm (Tol) ±30ppm (Stability) 10pF FUND 100Ohm Automotive 4-Pin SMD T/R |
| S73305T-25.000-X-15-R | Aker Technology | 表面貼裝晶體振蕩器 | Oscillator XO 25MHz ±50ppm 15pF HCMOS 55% 3.3V 4-Pin SMD T/R |
|
|
Aker Technology | 石英晶體 | Microprocessor Crystal Unit 5.0 x 3.2 millimeter Surface Mount |
|
|
Aker Technology | 石英晶體 | Microprocessor Crystal Unit Low Profile 2.5 x 3.2 millimeter Surface Mount |
|
|
Aker Technology | 石英晶體 | Microprocessor Crystal Unit Low Profile 2.0 x 1.6 millimeter Surface Mount |
|
|
Aker Technology | 石英晶體 | Microprocessor Crystal Unit Low Profile 2.0 x 1.6 millimeter Surface Mount |
|
|
Aker Technology | 石英晶體 | Microprocessor Crystal Unit Low Profile 2.0 x 1.6 millimeter Surface Mount |
|
|
Aker Technology | 石英晶體 | Microprocessor Crystal Unit Low Profile 2.0 x 1.6 millimeter Surface Mount |
|
|
Aker Technology | 石英晶體 | Microprocessor Crystal Unit Low Profile 2.0 x 1.6 millimeter Surface Mount |
| S23305T-50.000-X-R | Aker Technology | 表面貼裝晶體振蕩器 | Oscillator XO 50MHz ±50ppm 15pF CMOS 55% 3.3V Automotive 4-Pin SMD T/R |
| S23310T-27.000-X1-R | Aker Technology | 表面貼裝晶體振蕩器 | Oscillator XO 27MHz ±100ppm 15pF CMOS 55% 3.3V Automotive 4-Pin SMD T/R |
|
|
Aker Technology | 表面貼裝晶體振蕩器 | Oscillator XO 27MHz ±100ppm 15pF CMOS 55% 1.8V Automotive 4-Pin SMD T/R |
| S31810T-38.400-X1-R | Aker Technology | 表面貼裝晶體振蕩器 | Oscillator XO 38.4MHz ±100ppm 15pF CMOS 55% 1.8V Automotive 4-Pin SMD T/R |
| S7A3305-250.000-L-X-R | Aker Technology | 表面貼裝晶體振蕩器 | Oscillator XO 250MHz ±50ppm LVDS 55% 3.3V Automotive 6-Pin SMD T/R |
| S32510T-25.000-X1-R | Aker Technology | 表面貼裝晶體振蕩器 | Oscillator XO 25MHz ±100ppm 15pF CMOS 55% 2.5V Automotive 4-Pin SMD T/R |
| S51810T-26.000-X1-R | Aker Technology | 表面貼裝晶體振蕩器 | Oscillator XO 26MHz ±100ppm 15pF CMOS 55% 1.8V Automotive 4-Pin SMD T/R |
| S73305T-30.000-X-15-R | Aker Technology | 表面貼裝晶體振蕩器 | Oscillator XO 30MHz ±50ppm 15pF HCMOS 55% 3.3V 4-Pin SMD T/R |
| S233025T-10.000-R | Aker Technology | 表面貼裝晶體振蕩器 | Oscillator XO 10MHz ±25ppm 15pF CMOS 55% 3.3V Automotive 4-Pin SMD T/R |
| S518025T-50.000-R | Aker Technology | 表面貼裝晶體振蕩器 | Oscillator XO 50MHz ±25ppm 15pF CMOS 55% 1.8V Automotive 4-Pin SMD T/R |
| S518025T-60.000-R | Aker Technology | 表面貼裝晶體振蕩器 | Oscillator XO 60MHz ±25ppm 15pF CMOS 55% 1.8V Automotive 4-Pin SMD T/R |
| S225025T-26.000-R | Aker Technology | 表面貼裝晶體振蕩器 | Oscillator XO 26MHz ±25ppm 15pF CMOS 55% 2.5V Automotive 4-Pin SMD T/R |
| S533025T-8.000-R | Aker進口晶振 | 表面貼裝晶體振蕩器 | Oscillator XO 8MHz ±25ppm 15pF CMOS 55% 3.3V Automotive 4-Pin SMD T/R |
| S233025T-26.000-R | Aker Technology | 表面貼裝晶體振蕩器 | Oscillator XO 26MHz ±25ppm 15pF CMOS 55% 3.3V Automotive 4-Pin SMD T/R |
| S53305T-8.000-X-R | Aker Technology | 表面貼裝晶體振蕩器 | Oscillator XO 8MHz ±50ppm 15pF CMOS 55% 3.3V Automotive 4-Pin SMD T/R |
| S225025T-10.000-R | Aker Technology | 表面貼裝晶體振蕩器 | Oscillator XO 10MHz ±25ppm 15pF CMOS 55% 2.5V Automotive 4-Pin SMD T/R |
| S518025T-10.000-R | Aker Technology | 表面貼裝晶體振蕩器 | Oscillator XO 10MHz ±25ppm 15pF CMOS 55% 1.8V Automotive 4-Pin SMD T/R |
| S218025T-10.000-R | Aker Technology | 表面貼裝晶體振蕩器 | Oscillator XO 10MHz ±25ppm 15pF CMOS 55% 1.8V Automotive 4-Pin SMD T/R |
| S533025T-1.8432-R | Aker Technology | 表面貼裝晶體振蕩器 | Oscillator XO 1.8432MHz ±25ppm 15pF CMOS 55% 3.3V Automotive 4-Pin SMD T/R |
| S218025T-26.000-R | Aker Technology | 表面貼裝晶體振蕩器 | Oscillator XO 26MHz ±25ppm 15pF CMOS 55% 1.8V Automotive 4-Pin SMD T/R |
| S525025T-20.000-R | Aker Technology | 表面貼裝晶體振蕩器 | Oscillator XO 20MHz ±25ppm 15pF CMOS 55% 2.5V Automotive 4-Pin SMD T/R |
| S233025T-20.000-R | Aker Technology | 表面貼裝晶體振蕩器 | Oscillator XO 20MHz ±25ppm 15pF CMOS 55% 3.3V Automotive 4-Pin SMD T/R |
| S518025T-40.000-R | Aker Technology | 表面貼裝晶體振蕩器 | Oscillator XO 40MHz ±25ppm 15pF CMOS 55% 1.8V Automotive 4-Pin SMD T/R |
| S33305T-6.000-X-R | Aker Technology | 表面貼裝晶體振蕩器 | Oscillator XO 6MHz ±50ppm 15pF CMOS 55% 3.3V Automotive 4-Pin SMD T/R |
| S518025T-24.576-R | Aker Technology | 表面貼裝晶體振蕩器 | Oscillator XO 24.576MHz ±25ppm 15pF CMOS 55% 1.8V Automotive 4-Pin SMD T/R |
| S225025T-25.000-R | Aker Technology | 表面貼裝晶體振蕩器 | Oscillator XO 25MHz ±25ppm 15pF CMOS 55% 2.5V Automotive 4-Pin SMD T/R |
| S533025T-20.000-R | Aker Technology | 表面貼裝晶體振蕩器 | Oscillator XO 20MHz ±25ppm 15pF CMOS 55% 3.3V Automotive 4-Pin SMD T/R |
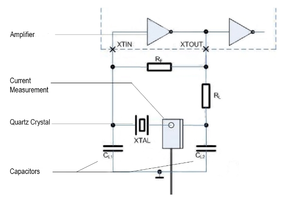
在第二步中,檢查振蕩器電路的振蕩安全性。該術語描述了電路在所有可能的環境條件下快速可靠啟動的能力。因此,分析的重點是電路中的電阻。
如圖1所示,電路中內置了一個新的附加電阻(RPot ),與石英串聯。然后逐步增加R電位計的電阻,直到振蕩停止。這種方法模擬“最差情況下的石英”,并揭示特定振蕩器電路中石英的最大容許阻抗。

以這種方式確定的最大阻抗與晶體的ESR,max之比最終得出振蕩安全系數(OSF)。
對于KHz石英晶振,OSF值在3到5之間就已經被評為良好,大于5的則被評為非常好,這是因為這些電路的設計功耗非常低。
驅動電平
為了防止石英過載,需要確定是哪種功率作用在石英上。為此,第一步是使用高頻電流鉗測量流經石英的電流強度(圖2)。從這個測量結果和已經確定的電路參數計算石英的“驅動電平”。驅動電平不得超過石英數據表中規定的最大值。

超過最大驅動電平可能會導致頻率偏差,或者在最糟糕的情況下,甚至會導致石英發生故障。
調整振蕩器電路
對電路的任何改動都意味著必須重新進行這里列出的所有測試。這使得尋找石英和電路之間的完美匹配成為一項需要幾個小時的修補工作。由于組件的尺寸很小,許多工作都是在顯微鏡下完成的。
在完成OSF測試后,Jauch為其客戶提供了一份詳細的測試報告。該報告包含所有重要的測量值,如果需要,還包含調整電路的明確建議。通過這種方式,任何問題都可以在批量生產開始前被發現和避免。
相關資訊
- [2024-02-18]Greenray晶體振蕩器專為國防和航...
- [2024-01-20]HELE加高產品和技術及熱門應用
- [2024-01-20]HELE加高一個至關重要的組件晶體...
- [2023-12-28]Suntsu晶振最新的射頻濾波器突破...
- [2023-12-28]Qantek提供各種高可靠性微處理器...
- [2023-10-11]日本納卡石英晶體的低老化領先同...
- [2023-09-25]遙遙領先H.ELE開啟汽車創新
- [2023-09-23]瑞薩電子MCU和MPU產品領先同行




